西门子直线加速器速调管调制器维修经验
作者:秦国娟
单位:秦国娟(江西省肿瘤医院 江西南昌330029)
关键词:
中国医疗器械杂志000121
中图分类号:TH774 文献标识码:C
文章编号:1000-6974(2000)01-0050-02
MEVATRON KD级直线加速器的速调管调制器产生供速调管使用的高压脉冲,它由高压变压器、高压二极管、氢闸流管(CX1159)、充电电感、脉冲变压器和辅助电路等组成脉冲形成网络(PFN)。由于有四万伏的直流高压,所以大多是高压部件,这给故障的判断、参数的测量及元件的替代等方面,都带来较大困难。我们根据多年维修工作的体会,摸索出了这部分电路的检查方法和调试步骤,并介绍一个简单易行的高压整流二极管快速测试方法。
, 百拇医药
1 调制器(Modulator)中高压开关短路跳闸情况下的故障排除
速调管调制器(K4)部分有两个功能:一是在脉冲形成电路(PFN)中形成一个稳定的高压脉冲(HVpulse),二是产生一个高能量的射频(RF)输出脉冲。
这部分包括了许多高压部件,因此该电路对绝缘要求很高。如果绝缘稍差,就很容易引起高压部件击穿而造成短路,大电流将导致高压开关(K1CB1-50A)过电流保护跳闸。一旦跳闸,调制器(K4)全部失电,这就使维修人员无法通过电位测量法寻找故障部位。在实践中我们摸索到一种能使高压开关不跳闸的方法,其方法是:将‘HVON’1秒延时继电器K1K2的线圈电压连线从K1TB1-28上卸下,目的是使115V、ACCP电压不能到达K1K2继电器线圈,使之不能吸合,208V三相电压就不会直接接到高压变压器K4T1。但K1继电器仍能得电吸合,208V的三相电压就通过三只电阻(K1R1、K1R2、K1R3)而到达高压变压器K4T1。这三只电阻被接入高压变压器的初级线圈回路中后,在实际测量中,我们发现四极管(Y475)的阳极电压在无限流状态时是20KV,而在有限流电阻接入时,该点电压就只有15KV,使脉冲形成电路(PEN)的高压值大大降低。同时这三只电阻起到了限流作用,高压开关就不会过电流跳闸,防止了高压联锁。在出束状态(RAD?ON)时,即使速调管调制器中有短路现象,也不会使高压开关(K1CB1-5OA)跳闸,我们就可以在这种情况下尽快地用电压测量法迅速地检查、测量,找到故障部位并得以排除。
, 百拇医药
2. 高压二极管的快速测定法:
在速调管调制器中,共有64个高压整流二极管,当调制器出现故障或发生短路时,往往很容易损坏。由于它数量多,如果逐一拆下测量,十分麻烦。如用万用表测量普通二极管的方法来判别它的好坏,发现其正反向电阻都接近无穷大,无法判定。在工作实践中,我们摸索到一个十分简便易行的方法。
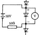
2.1 用二节9V的层积电池(方块电池)串联起来,再串接一个50欧姆的电阻,该电阻在测量起限流作用,构成一个18V的直流电源(下面简称电源,见图1)。
图1
2.2 在电路上(不用卸下任何元件),用上面介绍的电源接在某个高压二极管的两端,测量它的正向导通电压和反向击穿电压即可判断其好坏,十分方便。
, http://www.100md.com
测量正向导通电压:
将电源的‘+’端接在高压二极管的阳极,‘-’端接在阴极(见图2)。给高压二极管加上正向电压。同时用一只万用表在该高压二极管的两端监测它的电压,会出现如下二种情况:
① 电压表指示很小,甚至接近零,这说明高压二极管已击穿。
(2) 电压表有几伏的电压值。在调制器中所用的高压二极管,如标称是UDB7.5,这时量出的正向电压应在7.5V左右;如标称是UDB5,那么测出的正向电压应是5V左右,这说明高压二极管是好的。
图2
测量反向击穿电压:
将电源的‘+’端接在高压二极管的阴极,‘-’端接在阳极(见图3)。给高压二极管加上反向电压,出现如下二种情况:
, 百拇医药
① 电压表指示18V,说明二极管完好。
② 电压表指示远小于18V,说明二极管已击穿。
图3
根据以上测量,只要正向电压接近标称值,反向电压在18V左右,我们认为这个高压二极管是完好的。相反的,如果正向电压很小,且反向电压也很小,我们认为这个高压二极管已被击穿。
用这个方法检查高压二极管的好坏,不用卸下任何元件,直接接在电路中的任何一个高压二极管的二端来检查,测量手段简便,速度快,只要几分钟就可以将几十个高压二极管检查完毕,非常实用,而且准确度很高,给维修工作带来很大好处,不妨一试。■, 百拇医药
单位:秦国娟(江西省肿瘤医院 江西南昌330029)
关键词:
中国医疗器械杂志000121
中图分类号:TH774 文献标识码:C
文章编号:1000-6974(2000)01-0050-02
MEVATRON KD级直线加速器的速调管调制器产生供速调管使用的高压脉冲,它由高压变压器、高压二极管、氢闸流管(CX1159)、充电电感、脉冲变压器和辅助电路等组成脉冲形成网络(PFN)。由于有四万伏的直流高压,所以大多是高压部件,这给故障的判断、参数的测量及元件的替代等方面,都带来较大困难。我们根据多年维修工作的体会,摸索出了这部分电路的检查方法和调试步骤,并介绍一个简单易行的高压整流二极管快速测试方法。
, 百拇医药
1 调制器(Modulator)中高压开关短路跳闸情况下的故障排除
速调管调制器(K4)部分有两个功能:一是在脉冲形成电路(PFN)中形成一个稳定的高压脉冲(HVpulse),二是产生一个高能量的射频(RF)输出脉冲。
这部分包括了许多高压部件,因此该电路对绝缘要求很高。如果绝缘稍差,就很容易引起高压部件击穿而造成短路,大电流将导致高压开关(K1CB1-50A)过电流保护跳闸。一旦跳闸,调制器(K4)全部失电,这就使维修人员无法通过电位测量法寻找故障部位。在实践中我们摸索到一种能使高压开关不跳闸的方法,其方法是:将‘HVON’1秒延时继电器K1K2的线圈电压连线从K1TB1-28上卸下,目的是使115V、ACCP电压不能到达K1K2继电器线圈,使之不能吸合,208V三相电压就不会直接接到高压变压器K4T1。但K1继电器仍能得电吸合,208V的三相电压就通过三只电阻(K1R1、K1R2、K1R3)而到达高压变压器K4T1。这三只电阻被接入高压变压器的初级线圈回路中后,在实际测量中,我们发现四极管(Y475)的阳极电压在无限流状态时是20KV,而在有限流电阻接入时,该点电压就只有15KV,使脉冲形成电路(PEN)的高压值大大降低。同时这三只电阻起到了限流作用,高压开关就不会过电流跳闸,防止了高压联锁。在出束状态(RAD?ON)时,即使速调管调制器中有短路现象,也不会使高压开关(K1CB1-5OA)跳闸,我们就可以在这种情况下尽快地用电压测量法迅速地检查、测量,找到故障部位并得以排除。
, 百拇医药
2. 高压二极管的快速测定法:
在速调管调制器中,共有64个高压整流二极管,当调制器出现故障或发生短路时,往往很容易损坏。由于它数量多,如果逐一拆下测量,十分麻烦。如用万用表测量普通二极管的方法来判别它的好坏,发现其正反向电阻都接近无穷大,无法判定。在工作实践中,我们摸索到一个十分简便易行的方法。
2.1 用二节9V的层积电池(方块电池)串联起来,再串接一个50欧姆的电阻,该电阻在测量起限流作用,构成一个18V的直流电源(下面简称电源,见图1)。
图1
2.2 在电路上(不用卸下任何元件),用上面介绍的电源接在某个高压二极管的两端,测量它的正向导通电压和反向击穿电压即可判断其好坏,十分方便。
, http://www.100md.com
测量正向导通电压:
将电源的‘+’端接在高压二极管的阳极,‘-’端接在阴极(见图2)。给高压二极管加上正向电压。同时用一只万用表在该高压二极管的两端监测它的电压,会出现如下二种情况:
① 电压表指示很小,甚至接近零,这说明高压二极管已击穿。
(2) 电压表有几伏的电压值。在调制器中所用的高压二极管,如标称是UDB7.5,这时量出的正向电压应在7.5V左右;如标称是UDB5,那么测出的正向电压应是5V左右,这说明高压二极管是好的。
图2
测量反向击穿电压:
将电源的‘+’端接在高压二极管的阴极,‘-’端接在阳极(见图3)。给高压二极管加上反向电压,出现如下二种情况:
, 百拇医药
① 电压表指示18V,说明二极管完好。
② 电压表指示远小于18V,说明二极管已击穿。
图3
根据以上测量,只要正向电压接近标称值,反向电压在18V左右,我们认为这个高压二极管是完好的。相反的,如果正向电压很小,且反向电压也很小,我们认为这个高压二极管已被击穿。
用这个方法检查高压二极管的好坏,不用卸下任何元件,直接接在电路中的任何一个高压二极管的二端来检查,测量手段简便,速度快,只要几分钟就可以将几十个高压二极管检查完毕,非常实用,而且准确度很高,给维修工作带来很大好处,不妨一试。■, 百拇医药