血压参数自动获取电路的设计
作者:陈砚圃 张大龙 白浩伟 张大安
单位:
陈砚圃(西安交通大学 (陕西,西安710049));张大龙(西安交通大学 (陕西,西安710049));白浩伟(西安交通大学 (陕西,西安710049));张大安(西安交通大学 (陕西,西安710049))
关键词:液晶显示器;家庭医疗;血压参数获取;数字血压计
中国医疗器械杂志000204 提 要:介绍一种数字血压计的血压参数自动获取电路的设计及实现。电路以89C2051单片机为核心,通过对数字血压计液晶显示驱动信号的采集和处理完成血压参数的自动获取。电路具有简单可靠等优点。
分类号:R318.6 文献标识码:A
文章编号:1000-6974(2000)02-0078-04
, http://www.100md.com
Design of Blood-Pressure Parameter Auto-Acquisition Circuit
CHEN Yan-pu ZHANG Da-long BAI Hao-wei ZHANG Da-an
(Xi'an Jiao Tong University)
Abstract:This paper presents the realization and design of a kind of blood-pressure parameter auto-acquisition circuit.The auto-acquisition of blood-pressure parameter controlled by 89C2051 single chip microcomputer is accomplished by collecting and processing the driving signal of LCD.The circuit that is successfully applied in the home unit of telemedicine system has the simple and reliable properties.
, 百拇医药
Key words:LCD;Homemedicine;Blood-pressure parameter acquisition;Digital sphygmomanometer▲
近年来,国内已有多所高校和医院开展了远程家庭医疗方面的研究,有的系统已投入了使用。由于针对心脏病人的远程家庭医疗系统不涉及图像信息的传输,信息量小,完全可在普通电话线上实现实时传输,因而特别适合我国目前的经济水平和通信状况。目前已报道的系统只实现了心电信号的采集和传输,均不具备对病人血压参数的自动获取和传输功能[1][2]。我们于1998年研制完毕并通过鉴定的远程家庭监护系统除了能实现对心电信号的采集、处理和传输外,同时还具有病人血压、体温等生理参数的自动获取和传输功能。本文只详细介绍血压参数自动获取电路的设计及实现。
血压的测量是一个比较复杂的过程,为了保证测量结果的正确性和稳定性,我们利用了已商品化的数字血压计。当血压计完成一次测量且显示稳定后,通过采集液晶显示器的显示驱动信号,再经数据处理,即可获取血压参数。在病人家庭端,病人将袖带正确缠于大臂后,只需按下红外遥控器的血压测量键,血压计的上电、启动、充气、放气、血压测量、信号采集、血压参数获取及血压计的关闭等一系列操作将在单片机控制下依次自动完成。
, http://www.100md.com
1 液晶显示器
数字血压计的显示屏为6位17脚液晶显示器,如图1所示,除6个数字位外还有两个“mmHg”和两个“KPa”符号,用以指示血压的单位。血压计上电后最低位显示一个“0”,表示血压计处于待命状态,当完成一次测量后,显示器将依次循环显示心率和血压。显示心率时,最高位显示“P”。显示血压时,高3位表示收缩压,低3位表示舒张压,且分别以两种单位给出:若同时显示两个“KPa”,表示以KPa为单位;若同时显示两个“mmHg”,则表示以mmHg为单位。
图1 数字血压计的液晶显示器
数字血压计的液晶显示器采用占空比为1/4,偏压比为1/3的动态驱动型显示器,引脚1~引脚4对应4个背电极COM1~COM4,引脚5~引脚17对应13个段电极SEG1~SEG13。加在各电极上的驱动信号的周期T=16mS,驱动电压最大值V0=4.2V。液晶显示器上每一个显示段均有两个电极(一个背电极和一个段电极)与之对应,如表1所示。例如,与最低位的B段(1B)相对应的两个电极分别为COM2和SEG1。
, 百拇医药
表1 液晶显示器电极和显示段的对应关系表
SEG1
SEG2
SEG3
SEG4
SEG5
SEG6
SEG8
SEG9
SEG10
SEG11
SEG12
SEG13
, 百拇医药
COM1
1A
1F
2A
2F
3A
3F
4A
4F
5A
5F
6A
6F
COM2
, http://www.100md.com
1B
1G
2B
2G
3B
3G
4B
4G
5B
5G
6B
6G
COM3
1C
, http://www.100md.com
1E
2C
2E
3C
3E
4C
4E
5C
5E
6C
6E
COM4
低mmHg
1D
, http://www.100md.com
低KPa
2D
3H
3D
高mmHg
4D
高KPa
5D
6H
6D
判断某显示段显示与否的方法为:若与该显示段对应的两电极间电压最大值的绝对值为V0或
,该段显示,否则该段不显示。这里结合实例加以说明。由表1知,最低位的显示状态只取决于6个电极的电压信号。图2给出血压计上电后不久,最低位显示“0”时该6个电极上的电压波形。可以看出,COM2和SEG1、COM3和SEG1、COM4和SEG1、COM4和SEG2、COM2和SEG2、COM1和SEG2、COM3和SEG2间的电压最大值的绝对值分别为V0、V0、V0、V0、
、V0、V0,因此最低位中仅G段不显示,即显示“0”。
, http://www.100md.com
图2 最低位显示“0”时相应电极上的信号
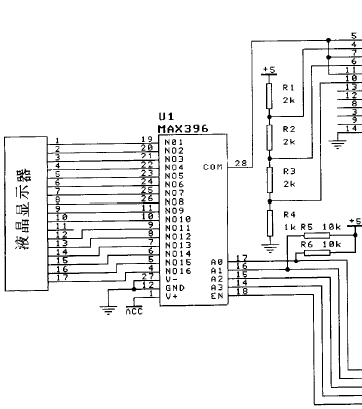
2 硬件电路
如图3所示,血压参数自动获取电路主要由20脚单片机ATM89C2051、28脚的16选1模拟开关MAX396及16脚的四比较器MAX924组成。单片机的P1.4、P1.3、P1.2、P1.1、P1.0控制模拟开关完成对液晶显示器16个引脚的选择(引脚11不用),模拟开关输出连至比较器的正输入端。电阻R1、R2、R3、R4的阻值分别选为2kΩ、2kΩ、2kΩ、1kΩ,使比较器负输入端的参考电压分别为
、
、
,它们分别是液晶显示器引脚驱动电压0、
、
、V0的中间值,效果最佳。比较器输出分别与单片机的P1.7、P1.6、P1.5相连,当被采样引脚的电压为0、
、
、V0时,单片机通过P1.7、P1.6、P1.5将分别读入000、001、011、111,然后再转换为便于存储和处理的4种状态00、01、10、11。为了实现全自动操作,单片机P3.4、P3.5分别与血压计的电源开关和启动开关相连。实验证明,只要给开关加一100ms的负脉冲,便可完成一次有效控制。命令的接收和血压参数的发送借助串口通过串行通信完成。由于血压参数自动获取电路与家庭监护系统主控制电路距离较近(约25cm),两者间的串行口线(RXD、TXD)可直接相连,不需进行RS-232C电平转换。

, 百拇医药
图3 血压参数自动获取电路原理图
由于电路元件少,电路板面积仅4.5×5cm2,可固定于数字血压计的电路板和液晶显示器之间的空隙处,因而显得特别紧凑。
3 程序设计
图4为程序主流程图。初始化部分主要完成对定时器和串口的设置。定时器0用于各种事件的定时同时兼作监视定时器(WDT)。串口通信速率为1200bit/s。初始化完毕后,程序以查询方式等待发自家庭监护系统主控制电路的血压测量命令(规定为一字节的数据55H)。
图4 程序主流程图
收到血压测量命令后,控制单片机P3.4产生一个负脉冲打开电源,延时1秒,待血压计完成自检并处于待命状态时,控制P3.5产生一负脉冲启动血压计开始进行测量。
, 百拇医药
对液晶显示器16个引脚的显示驱动信号的采样是在一个信号周期(T=16ms)内完成的。如图2所示,信号每周期包括8个持续时间为2ms的平稳段,每平稳段内均完成一次对16个引脚的采样,故一信号周期内共进行16×8=128次采样。一次采样结果对应2位二进制数,故16个引脚的采样数据共占32字节的单片机内部RAM。为了保证2ms内完成16次采样并能将每次采样结果转换为2位二进制数,采样结果在32字节RAM中是按采样次序而不是按引脚顺序存放的。根据表1所示的液晶显示器电极和显示段的对应关系及已经介绍过的显示段的显示状态判断方法,可得到反映显示状态的48个二进制位的显示数据,其中每一位和一个显示段相对应。为了提高可靠性,每得到一组数据至少需进行两次信号采集和处理工作,仅当连续两次结果相同时数据才有效。
因为只需获取以mmHg为单位的血压参数,故将两个“mmHg”是否同时显示作为判别条件。
有了单位为mmHg时的显示数据后,经查表等算法得到2个字节的血压参数,舒张压和收缩压各占1个字节。最后将2字节的血压参数通过串口发送出去,关闭血压计。至此,血压参数的自动获取过程结束。
, 百拇医药
4 结束语
除数字血压计外,还有很多仪表内的专用芯片集信号采集、数据处理和液晶显示器显示驱动等功能于一身。本文介绍的电路显然也适用于此类仪表的二次开发利用。■
参考文献:
[1]余轮等.CTTM-1000远程心电中央监护系统的研制.中国医疗器械杂志.1997;(1):1~7
[2]唐庆玉等.家庭病人监护网研究的新发展.医疗卫生装备.1997;(1):20~22
[3]李维醘等.液晶显示器件应用技术.北京邮电学院出版社.1993
收稿日期:1998-12-9, http://www.100md.com
单位:
陈砚圃(西安交通大学 (陕西,西安710049));张大龙(西安交通大学 (陕西,西安710049));白浩伟(西安交通大学 (陕西,西安710049));张大安(西安交通大学 (陕西,西安710049))
关键词:液晶显示器;家庭医疗;血压参数获取;数字血压计
中国医疗器械杂志000204 提 要:介绍一种数字血压计的血压参数自动获取电路的设计及实现。电路以89C2051单片机为核心,通过对数字血压计液晶显示驱动信号的采集和处理完成血压参数的自动获取。电路具有简单可靠等优点。
分类号:R318.6 文献标识码:A
文章编号:1000-6974(2000)02-0078-04
, http://www.100md.com
Design of Blood-Pressure Parameter Auto-Acquisition Circuit
CHEN Yan-pu ZHANG Da-long BAI Hao-wei ZHANG Da-an
(Xi'an Jiao Tong University)
Abstract:This paper presents the realization and design of a kind of blood-pressure parameter auto-acquisition circuit.The auto-acquisition of blood-pressure parameter controlled by 89C2051 single chip microcomputer is accomplished by collecting and processing the driving signal of LCD.The circuit that is successfully applied in the home unit of telemedicine system has the simple and reliable properties.
, 百拇医药
Key words:LCD;Homemedicine;Blood-pressure parameter acquisition;Digital sphygmomanometer▲
近年来,国内已有多所高校和医院开展了远程家庭医疗方面的研究,有的系统已投入了使用。由于针对心脏病人的远程家庭医疗系统不涉及图像信息的传输,信息量小,完全可在普通电话线上实现实时传输,因而特别适合我国目前的经济水平和通信状况。目前已报道的系统只实现了心电信号的采集和传输,均不具备对病人血压参数的自动获取和传输功能[1][2]。我们于1998年研制完毕并通过鉴定的远程家庭监护系统除了能实现对心电信号的采集、处理和传输外,同时还具有病人血压、体温等生理参数的自动获取和传输功能。本文只详细介绍血压参数自动获取电路的设计及实现。
血压的测量是一个比较复杂的过程,为了保证测量结果的正确性和稳定性,我们利用了已商品化的数字血压计。当血压计完成一次测量且显示稳定后,通过采集液晶显示器的显示驱动信号,再经数据处理,即可获取血压参数。在病人家庭端,病人将袖带正确缠于大臂后,只需按下红外遥控器的血压测量键,血压计的上电、启动、充气、放气、血压测量、信号采集、血压参数获取及血压计的关闭等一系列操作将在单片机控制下依次自动完成。
, http://www.100md.com
1 液晶显示器
数字血压计的显示屏为6位17脚液晶显示器,如图1所示,除6个数字位外还有两个“mmHg”和两个“KPa”符号,用以指示血压的单位。血压计上电后最低位显示一个“0”,表示血压计处于待命状态,当完成一次测量后,显示器将依次循环显示心率和血压。显示心率时,最高位显示“P”。显示血压时,高3位表示收缩压,低3位表示舒张压,且分别以两种单位给出:若同时显示两个“KPa”,表示以KPa为单位;若同时显示两个“mmHg”,则表示以mmHg为单位。
图1 数字血压计的液晶显示器
数字血压计的液晶显示器采用占空比为1/4,偏压比为1/3的动态驱动型显示器,引脚1~引脚4对应4个背电极COM1~COM4,引脚5~引脚17对应13个段电极SEG1~SEG13。加在各电极上的驱动信号的周期T=16mS,驱动电压最大值V0=4.2V。液晶显示器上每一个显示段均有两个电极(一个背电极和一个段电极)与之对应,如表1所示。例如,与最低位的B段(1B)相对应的两个电极分别为COM2和SEG1。
, 百拇医药
表1 液晶显示器电极和显示段的对应关系表
SEG1
SEG2
SEG3
SEG4
SEG5
SEG6
SEG8
SEG9
SEG10
SEG11
SEG12
SEG13
, 百拇医药
COM1
1A
1F
2A
2F
3A
3F
4A
4F
5A
5F
6A
6F
COM2
, http://www.100md.com
1B
1G
2B
2G
3B
3G
4B
4G
5B
5G
6B
6G
COM3
1C
, http://www.100md.com
1E
2C
2E
3C
3E
4C
4E
5C
5E
6C
6E
COM4
低mmHg
1D
, http://www.100md.com
低KPa
2D
3H
3D
高mmHg
4D
高KPa
5D
6H
6D
判断某显示段显示与否的方法为:若与该显示段对应的两电极间电压最大值的绝对值为V0或
, http://www.100md.com
图2 最低位显示“0”时相应电极上的信号
2 硬件电路
如图3所示,血压参数自动获取电路主要由20脚单片机ATM89C2051、28脚的16选1模拟开关MAX396及16脚的四比较器MAX924组成。单片机的P1.4、P1.3、P1.2、P1.1、P1.0控制模拟开关完成对液晶显示器16个引脚的选择(引脚11不用),模拟开关输出连至比较器的正输入端。电阻R1、R2、R3、R4的阻值分别选为2kΩ、2kΩ、2kΩ、1kΩ,使比较器负输入端的参考电压分别为
, 百拇医药
图3 血压参数自动获取电路原理图
由于电路元件少,电路板面积仅4.5×5cm2,可固定于数字血压计的电路板和液晶显示器之间的空隙处,因而显得特别紧凑。
3 程序设计
图4为程序主流程图。初始化部分主要完成对定时器和串口的设置。定时器0用于各种事件的定时同时兼作监视定时器(WDT)。串口通信速率为1200bit/s。初始化完毕后,程序以查询方式等待发自家庭监护系统主控制电路的血压测量命令(规定为一字节的数据55H)。
图4 程序主流程图
收到血压测量命令后,控制单片机P3.4产生一个负脉冲打开电源,延时1秒,待血压计完成自检并处于待命状态时,控制P3.5产生一负脉冲启动血压计开始进行测量。
, 百拇医药
对液晶显示器16个引脚的显示驱动信号的采样是在一个信号周期(T=16ms)内完成的。如图2所示,信号每周期包括8个持续时间为2ms的平稳段,每平稳段内均完成一次对16个引脚的采样,故一信号周期内共进行16×8=128次采样。一次采样结果对应2位二进制数,故16个引脚的采样数据共占32字节的单片机内部RAM。为了保证2ms内完成16次采样并能将每次采样结果转换为2位二进制数,采样结果在32字节RAM中是按采样次序而不是按引脚顺序存放的。根据表1所示的液晶显示器电极和显示段的对应关系及已经介绍过的显示段的显示状态判断方法,可得到反映显示状态的48个二进制位的显示数据,其中每一位和一个显示段相对应。为了提高可靠性,每得到一组数据至少需进行两次信号采集和处理工作,仅当连续两次结果相同时数据才有效。
因为只需获取以mmHg为单位的血压参数,故将两个“mmHg”是否同时显示作为判别条件。
有了单位为mmHg时的显示数据后,经查表等算法得到2个字节的血压参数,舒张压和收缩压各占1个字节。最后将2字节的血压参数通过串口发送出去,关闭血压计。至此,血压参数的自动获取过程结束。
, 百拇医药
4 结束语
除数字血压计外,还有很多仪表内的专用芯片集信号采集、数据处理和液晶显示器显示驱动等功能于一身。本文介绍的电路显然也适用于此类仪表的二次开发利用。■
参考文献:
[1]余轮等.CTTM-1000远程心电中央监护系统的研制.中国医疗器械杂志.1997;(1):1~7
[2]唐庆玉等.家庭病人监护网研究的新发展.医疗卫生装备.1997;(1):20~22
[3]李维醘等.液晶显示器件应用技术.北京邮电学院出版社.1993
收稿日期:1998-12-9, http://www.100md.com