水八角的生药学研究
作者:严铸云 万德光 曾万章
单位:成都中医药大学 药学院,四川 成都 610075
关键词:掌裂叶秋海棠;一点血;美丽秋海棠;生药学
成都中医药大学学报000127 摘 要: 目的:通过对四川民间药掌裂叶秋海棠、一点血、美丽秋海棠根茎的生药学研究,为该类药的临床应用、质量标准的制定和进一步开发利用提供资料。方法:性状鉴别、显微鉴别和薄层色谱鉴定相结合。结果:木栓组织、纤维、石细胞、腺毛的存在与否和形态特征存在种间差异,三者均含芦丁和槲皮素。结论:首次对三种秋海棠进行了生药学研究。
中图分类号: R282.5;R931.5 文献标识码:A 文章编号:1004-0668(2000)01-0000-03
Pharmacognostical Studies on Chinese Folk Medicine Shuibajiao (Begonia Linn.)
, 百拇医药
YAN Zhu-yun, WAN DE-guang, ZENG Wan-zang, et al (严铸云,等)
College Of Pharmacy,, Chengdu University of TCM (Chengdu, 610075,China)
ABSTRACT:Objective:To provide reference materials for clinics,quality control, delopment and identification of Begonia pedatifida Lévl.,B.wilsonii Gag. and B.algaia L.B.Smith & DC. by pharmacognostical studies. Method: Comparative histological, morphological and TLC identification. Result: The species of the genus Begonia are defferent from each other in cork cell, fiber,stone cell, glandular hairs. Rutin and quercition is found in these species. Conclusion: Pharmacognostical studies on these species are reported for first time.
, 百拇医药
KEY WORDS:Pharmacognostical Study; Begonia pedatifida Lévl.; B.wilsonii Gag.; B.algaia L.B.Smith & DC.
水八角始载于《分类草药性》,来源于秋海棠科植物掌裂叶秋海棠Begonia pedatifida Lévl.的根茎。其味酸涩,性寒,具有清热凉血,消肿止痛,止血的功效。常用于风湿性关节炎、血栓性脉管炎、水肿、尿血、痢疾、支气管炎、咽喉肿痛、跌扑损伤、毒蛇咬伤等的治疗[1,2]。以“大半边莲”之名收入了《广西中药材标准》(1990年版)[3]。同时,一点血B.wilsonii Gag.、美丽秋海棠B.algaia L.B.Smith & DC.的根茎在四川民间也称“水八角”,但一点血味甘、酸,性凉,具补血、凉血止血的功效,常用于血虚、血崩、带下病、吐血等的治疗;美丽秋海棠常用于风湿性关节炎、血栓性脉管炎、水肿、毒蛇咬伤等的治疗1,2]。其功用有别。有关水八角的生药学研究尚未见报道。我们对该药进行了生药学的研究,以期为该药的临床应用、质量标准的制定和进一步开发利用提供资料。
, 百拇医药
1 实验材料和方法
药材掌裂叶秋海棠 Begonia pedatifida Lévl.、一点血B.wilsonii Gag.和美丽秋海棠B.algaia L.B.Smith & DC.的均采自四川省洪雅县。
实验按生药学常规方法进行,显微标本片的制备以徒手切片和石蜡切片相结合,粉末制片按《中国药典1995年版》的方法进行。附图均用描绘器绘制。
2 药材形状
2.1 掌裂叶秋海棠 呈扁圆柱形,扭曲,有分枝,长5~15cm,直径0.5~1.5cm。表面棕红色或灰棕褐色,有细皱纹,一面有椭圆形叶痕,另一面有多数圆形根痕。质轻脆,易折断,断面灰棕色或棕色,有浅色筋脉小点(维管束)和发亮的细小结晶。有特异酸气,味酸、涩。
2.2 一点血 呈圆柱形,长2~15cm,直径0.5~1.5cm。表面黑褐色或棕褐色,密布棕褐色的瘤状突起,节间明显膨大突起,呈连珠状,节间长0.4~1cm,可见短刺状根迹。质坚硬,易从节处折断,断面黄白色,中央淡红色,可见少数发亮的细小结晶。有特异酸气,味酸、苦、涩。
, 百拇医药
2.3 美丽秋海棠 似掌裂叶秋海棠,但不分枝,纵皱纹明显,呈沟状,叶痕深陷,断面黄白色,纤维性。
3 显微鉴别
3.1 根茎横切面
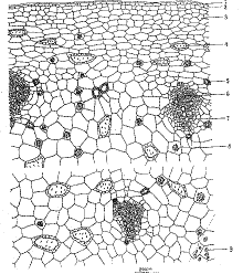
掌裂叶秋海棠:表皮细胞为一列长方形细胞,外被角质层。皮层、中柱和髓部无明显的界限。表皮下的3~5列细胞微木栓化。薄壁组织中散生多数外韧型的维管束和壁较薄的石细胞。维管束的韧皮部具韧皮纤维1~2根,维管束周围的薄壁组织中散生1~6根纤维。薄壁细胞中含有草酸钙簇晶、方晶和淀粉粒(图 1A,图2)。
一点血:表皮细胞为一列长方形细胞,外被角质层,具腺毛。腺毛分泌细胞1个,内含棕红色分泌物,柄细胞2~3个。表皮下具3~5列厚角细胞。皮层、中柱和髓部无明显的界限。表皮下的2~3列细胞微木栓化。薄壁组织中散生多数外韧型的维管束,维管束的韧皮部具散生韧皮纤维。薄壁细胞中含有草酸钙簇晶和淀粉粒(图 1C,图3A)。
, 百拇医药
美丽秋海棠:表皮细胞为一列长方形细胞,外被角质层。皮层、中柱和髓部无明显的界限。表皮下的3~7列细胞微木栓化。薄壁组织中散生多数外韧型的维管束和壁较薄的石细胞。维管束的韧皮部具韧皮纤维1~2根,维管束周围的薄壁组织中散生壁较厚的大型石细胞。薄壁细胞中含有草酸钙簇晶和淀粉粒(图 1B,图3B)。
图1 三种秋海棠根茎的横切面简图
A.掌裂叶秋海棠 B.美丽秋海棠 C.一点血
1.表皮 2.木栓组织 3.韧皮部 4.木质部 5.纤维 6.石细胞 7.草酸钙簇晶 8.腺毛 9.厚角组织 10.草酸钙方晶
3.3 粉末特征
3.3.1 掌裂叶秋海棠 黄棕色。导管为螺纹、梯纹、环纹和单纹孔导管,直径8~25μm。纤维多散在,呈长梭状,一种先端钝,壁薄;另一种先端锐,壁厚;长达450 μm,直径8~25 μm。石细胞多角形或类圆形,壁薄,长200 μm,直径8~30 μm。草酸钙簇晶和方晶,簇晶的晶角钝或锐,直径25~100 μm。淀粉粒众多,单粒,圆形、椭圆形,层纹明显,直径15~30 μm。栓化细胞多角形,壁平直。具黄棕色色素团块(图 4)。
, 百拇医药
图2 掌裂叶秋海棠根茎的横切面祥图
1.角质层 2.表皮 3.木栓组织 4.石细胞 5.纤维
6.韧皮部 7.导管 8.草酸钙簇晶 9.淀粉
图3 一点血和美丽秋海棠根茎的横切面祥图
A.一点血 B.美丽秋海棠
1.腺毛 2.角质层 3.表皮 4.层角组织 5.木栓组织 6.草酸钙簇晶
7.石细胞 8.纤维 9.韧皮部 10.导管 11.淀粉 12.草酸钙方晶
3.3.2 一点血 棕红色。导管为梯纹、螺纹,偶见单纹孔导管,直径10~30μm。纤维多散在,呈长梭状,壁厚,有的可见纹孔,长达180μm,直径15~30μm。草酸钙簇晶和方晶,簇晶的晶角钝或锐,直径25~100μm。淀粉粒众多,单粒,圆形、椭圆形,脐点点状,层纹不明显,直径15~30μm。腺毛多破碎,呈棕红色团块(图 5)。
, 百拇医药
3.3.3 美丽秋海棠 棕褐色。导管为环纹、螺纹、梯纹和单纹孔导管,直径15~100μm。纤维多散在或呈束,两端钝或锐,胞腔大或小,直径40~90 μm。石细胞类圆形或枯骨状,类圆形石细胞,壁较薄,纹孔明显;枯骨状石细胞壁较厚,层纹明显长100~600 μm,直径55~170μm。草酸钙簇晶的晶角钝,直径30~60 μm。淀粉粒众多,单粒,圆形、椭圆形、卵状三角形或类圆形,脐点点状或缝状,层纹不明显,直径20~65 μm。栓化细胞长方形(图 6)。
图4 掌裂叶秋海棠根茎的粉末图
1.色素团块 2.石细胞 3.导管 4.纤维
5.木栓细胞 6.草酸钙簇晶 7.淀粉
, 百拇医药
图5 一点血根茎的粉末图
1.导管 2.腺毛 3.纤维 4.草酸钙簇晶
5.草酸钙方晶 6.淀粉
图6 美丽秋海棠根茎的粉末图
1.导管 2.石细胞 3.纤维 4.木栓细胞
5.草酸钙簇晶 6.淀粉
4 理化鉴别
4.1 化学成分的系统预试 参考文献[5~7]采用试管法、层析法进行的系统预试结果表明:掌裂叶秋海棠、一点血、美丽秋海棠根茎中均含有机酸、皂甙、黄酮、生物碱、强心甙、内酯和三萜类成分。
, 百拇医药
4.2 薄层色谱鉴别
4.2.1 对准品溶液 芦丁、槲皮素(中国药品生物制品检定所),取适量,用1 mL甲醇溶解,制成对准品溶液。
4.2.2 薄层条件 固定相硅胶G(青岛海洋化工厂),用0.5%的羧甲基纤维素钠溶液适量,调成糊状,均匀涂布于玻璃板(10 cm×20 cm)上,晾干,于105℃活化30 min,取出置干燥器内备用。展开剂①氯仿∶乙醚∶甲酸(9∶1∶0.5);乙酸乙酯∶甲酸∶水(8∶1∶1)。
4.2.3 样品溶液的制备及点样 取样品粉末(80 目)2 g,置索氏用甲醇提取至近无色,回收甲醇,用10 mL水溶解,用氯仿萃取3次(10 mL,10 mL,5 mL),回收氯仿,用2 mL甲醇溶解,制成样品溶液1;把氯仿萃取后的水溶液用正丁醇萃取3 次(10 mL,10 mL,5 mL), 回收正丁醇,用2 mL甲醇溶解,制成样品溶液2。点样约10 μL。
, http://www.100md.com
4.2.4 结果(见图7) 从图7可看出掌裂叶秋海棠、一点血、美丽秋海棠根茎的氯仿或正丁醇萃取部位的薄层色谱中与芦丁或槲皮素对应的位置均有相同颜色的斑点。所用的薄层条件可用于三者的鉴别。
5 讨论
5.1 掌裂叶秋海棠、一点血、美丽秋海棠根茎的显微结构表明,三者可通过木栓组织、纤维、石细胞、腺毛的存在与否加以区别。
5.2 薄层色谱分析表明掌裂叶秋海棠、一点血、美丽秋海棠的根茎中均含芦丁和槲皮素,所给的薄层条件可用于三者定性鉴别的重要参考,其化学成分有待进一步研究。
图7 三种秋海棠簿层层析图谱
A.展开系统:氯仿∶乙醚∶甲酸(9∶1∶0.5)
, 百拇医药
B.展开系统:乙酸乙酯∶甲酸∶水(8∶1∶1)
1.掌裂叶秋海棠 2.美丽秋海棠 3.一点血
4.槲皮素 5.芦丁
基金项目:四川省教委重点科研基金资助项目。
作者简介:严铸云,男,1964年12月生;中药学博士,副教授;研究方向:中药品种、品质与药效。
1,周太炎.我国秋海棠属的中草药.中草药,1988:19(11):37
2,《四川中药志》协作编写组.四川中药志.第一卷,成都:四川人民出版社,1979.199,230
3,广西壮族自治区卫生厅.广西中药材标准.南宁:广西科学技术出版社,1992.13
4,《万县中草药》编写组.万县中草药.万县:万县地区卫生局等出版,1977.230
5,中国科学院上海药物研究所.中草药有效成分的提取与分离.上海:上海科学技术出版社,1983.9,13
6,中国医学科学院药物研究所.中草药有效成分的研究.北京:人民卫生出版社,1972.111
7,肖崇厚.中药提取鉴定原理.上海:上海科学技术出版社,1981.12.50
(收稿日期:1999-11-15), 百拇医药
单位:成都中医药大学 药学院,四川 成都 610075
关键词:掌裂叶秋海棠;一点血;美丽秋海棠;生药学
成都中医药大学学报000127 摘 要: 目的:通过对四川民间药掌裂叶秋海棠、一点血、美丽秋海棠根茎的生药学研究,为该类药的临床应用、质量标准的制定和进一步开发利用提供资料。方法:性状鉴别、显微鉴别和薄层色谱鉴定相结合。结果:木栓组织、纤维、石细胞、腺毛的存在与否和形态特征存在种间差异,三者均含芦丁和槲皮素。结论:首次对三种秋海棠进行了生药学研究。
中图分类号: R282.5;R931.5 文献标识码:A 文章编号:1004-0668(2000)01-0000-03
Pharmacognostical Studies on Chinese Folk Medicine Shuibajiao (Begonia Linn.)
, 百拇医药
YAN Zhu-yun, WAN DE-guang, ZENG Wan-zang, et al (严铸云,等)
College Of Pharmacy,, Chengdu University of TCM (Chengdu, 610075,China)
ABSTRACT:Objective:To provide reference materials for clinics,quality control, delopment and identification of Begonia pedatifida Lévl.,B.wilsonii Gag. and B.algaia L.B.Smith & DC. by pharmacognostical studies. Method: Comparative histological, morphological and TLC identification. Result: The species of the genus Begonia are defferent from each other in cork cell, fiber,stone cell, glandular hairs. Rutin and quercition is found in these species. Conclusion: Pharmacognostical studies on these species are reported for first time.
, 百拇医药
KEY WORDS:Pharmacognostical Study; Begonia pedatifida Lévl.; B.wilsonii Gag.; B.algaia L.B.Smith & DC.
水八角始载于《分类草药性》,来源于秋海棠科植物掌裂叶秋海棠Begonia pedatifida Lévl.的根茎。其味酸涩,性寒,具有清热凉血,消肿止痛,止血的功效。常用于风湿性关节炎、血栓性脉管炎、水肿、尿血、痢疾、支气管炎、咽喉肿痛、跌扑损伤、毒蛇咬伤等的治疗[1,2]。以“大半边莲”之名收入了《广西中药材标准》(1990年版)[3]。同时,一点血B.wilsonii Gag.、美丽秋海棠B.algaia L.B.Smith & DC.的根茎在四川民间也称“水八角”,但一点血味甘、酸,性凉,具补血、凉血止血的功效,常用于血虚、血崩、带下病、吐血等的治疗;美丽秋海棠常用于风湿性关节炎、血栓性脉管炎、水肿、毒蛇咬伤等的治疗1,2]。其功用有别。有关水八角的生药学研究尚未见报道。我们对该药进行了生药学的研究,以期为该药的临床应用、质量标准的制定和进一步开发利用提供资料。
, 百拇医药
1 实验材料和方法
药材掌裂叶秋海棠 Begonia pedatifida Lévl.、一点血B.wilsonii Gag.和美丽秋海棠B.algaia L.B.Smith & DC.的均采自四川省洪雅县。
实验按生药学常规方法进行,显微标本片的制备以徒手切片和石蜡切片相结合,粉末制片按《中国药典1995年版》的方法进行。附图均用描绘器绘制。
2 药材形状
2.1 掌裂叶秋海棠 呈扁圆柱形,扭曲,有分枝,长5~15cm,直径0.5~1.5cm。表面棕红色或灰棕褐色,有细皱纹,一面有椭圆形叶痕,另一面有多数圆形根痕。质轻脆,易折断,断面灰棕色或棕色,有浅色筋脉小点(维管束)和发亮的细小结晶。有特异酸气,味酸、涩。
2.2 一点血 呈圆柱形,长2~15cm,直径0.5~1.5cm。表面黑褐色或棕褐色,密布棕褐色的瘤状突起,节间明显膨大突起,呈连珠状,节间长0.4~1cm,可见短刺状根迹。质坚硬,易从节处折断,断面黄白色,中央淡红色,可见少数发亮的细小结晶。有特异酸气,味酸、苦、涩。
, 百拇医药
2.3 美丽秋海棠 似掌裂叶秋海棠,但不分枝,纵皱纹明显,呈沟状,叶痕深陷,断面黄白色,纤维性。
3 显微鉴别
3.1 根茎横切面
掌裂叶秋海棠:表皮细胞为一列长方形细胞,外被角质层。皮层、中柱和髓部无明显的界限。表皮下的3~5列细胞微木栓化。薄壁组织中散生多数外韧型的维管束和壁较薄的石细胞。维管束的韧皮部具韧皮纤维1~2根,维管束周围的薄壁组织中散生1~6根纤维。薄壁细胞中含有草酸钙簇晶、方晶和淀粉粒(图 1A,图2)。
一点血:表皮细胞为一列长方形细胞,外被角质层,具腺毛。腺毛分泌细胞1个,内含棕红色分泌物,柄细胞2~3个。表皮下具3~5列厚角细胞。皮层、中柱和髓部无明显的界限。表皮下的2~3列细胞微木栓化。薄壁组织中散生多数外韧型的维管束,维管束的韧皮部具散生韧皮纤维。薄壁细胞中含有草酸钙簇晶和淀粉粒(图 1C,图3A)。
, 百拇医药
美丽秋海棠:表皮细胞为一列长方形细胞,外被角质层。皮层、中柱和髓部无明显的界限。表皮下的3~7列细胞微木栓化。薄壁组织中散生多数外韧型的维管束和壁较薄的石细胞。维管束的韧皮部具韧皮纤维1~2根,维管束周围的薄壁组织中散生壁较厚的大型石细胞。薄壁细胞中含有草酸钙簇晶和淀粉粒(图 1B,图3B)。
图1 三种秋海棠根茎的横切面简图
A.掌裂叶秋海棠 B.美丽秋海棠 C.一点血
1.表皮 2.木栓组织 3.韧皮部 4.木质部 5.纤维 6.石细胞 7.草酸钙簇晶 8.腺毛 9.厚角组织 10.草酸钙方晶
3.3 粉末特征
3.3.1 掌裂叶秋海棠 黄棕色。导管为螺纹、梯纹、环纹和单纹孔导管,直径8~25μm。纤维多散在,呈长梭状,一种先端钝,壁薄;另一种先端锐,壁厚;长达450 μm,直径8~25 μm。石细胞多角形或类圆形,壁薄,长200 μm,直径8~30 μm。草酸钙簇晶和方晶,簇晶的晶角钝或锐,直径25~100 μm。淀粉粒众多,单粒,圆形、椭圆形,层纹明显,直径15~30 μm。栓化细胞多角形,壁平直。具黄棕色色素团块(图 4)。
, 百拇医药
图2 掌裂叶秋海棠根茎的横切面祥图
1.角质层 2.表皮 3.木栓组织 4.石细胞 5.纤维
6.韧皮部 7.导管 8.草酸钙簇晶 9.淀粉
图3 一点血和美丽秋海棠根茎的横切面祥图
A.一点血 B.美丽秋海棠
1.腺毛 2.角质层 3.表皮 4.层角组织 5.木栓组织 6.草酸钙簇晶
7.石细胞 8.纤维 9.韧皮部 10.导管 11.淀粉 12.草酸钙方晶
3.3.2 一点血 棕红色。导管为梯纹、螺纹,偶见单纹孔导管,直径10~30μm。纤维多散在,呈长梭状,壁厚,有的可见纹孔,长达180μm,直径15~30μm。草酸钙簇晶和方晶,簇晶的晶角钝或锐,直径25~100μm。淀粉粒众多,单粒,圆形、椭圆形,脐点点状,层纹不明显,直径15~30μm。腺毛多破碎,呈棕红色团块(图 5)。
, 百拇医药
3.3.3 美丽秋海棠 棕褐色。导管为环纹、螺纹、梯纹和单纹孔导管,直径15~100μm。纤维多散在或呈束,两端钝或锐,胞腔大或小,直径40~90 μm。石细胞类圆形或枯骨状,类圆形石细胞,壁较薄,纹孔明显;枯骨状石细胞壁较厚,层纹明显长100~600 μm,直径55~170μm。草酸钙簇晶的晶角钝,直径30~60 μm。淀粉粒众多,单粒,圆形、椭圆形、卵状三角形或类圆形,脐点点状或缝状,层纹不明显,直径20~65 μm。栓化细胞长方形(图 6)。
图4 掌裂叶秋海棠根茎的粉末图
1.色素团块 2.石细胞 3.导管 4.纤维
5.木栓细胞 6.草酸钙簇晶 7.淀粉
, 百拇医药
图5 一点血根茎的粉末图
1.导管 2.腺毛 3.纤维 4.草酸钙簇晶
5.草酸钙方晶 6.淀粉
图6 美丽秋海棠根茎的粉末图
1.导管 2.石细胞 3.纤维 4.木栓细胞
5.草酸钙簇晶 6.淀粉
4 理化鉴别
4.1 化学成分的系统预试 参考文献[5~7]采用试管法、层析法进行的系统预试结果表明:掌裂叶秋海棠、一点血、美丽秋海棠根茎中均含有机酸、皂甙、黄酮、生物碱、强心甙、内酯和三萜类成分。
, 百拇医药
4.2 薄层色谱鉴别
4.2.1 对准品溶液 芦丁、槲皮素(中国药品生物制品检定所),取适量,用1 mL甲醇溶解,制成对准品溶液。
4.2.2 薄层条件 固定相硅胶G(青岛海洋化工厂),用0.5%的羧甲基纤维素钠溶液适量,调成糊状,均匀涂布于玻璃板(10 cm×20 cm)上,晾干,于105℃活化30 min,取出置干燥器内备用。展开剂①氯仿∶乙醚∶甲酸(9∶1∶0.5);乙酸乙酯∶甲酸∶水(8∶1∶1)。
4.2.3 样品溶液的制备及点样 取样品粉末(80 目)2 g,置索氏用甲醇提取至近无色,回收甲醇,用10 mL水溶解,用氯仿萃取3次(10 mL,10 mL,5 mL),回收氯仿,用2 mL甲醇溶解,制成样品溶液1;把氯仿萃取后的水溶液用正丁醇萃取3 次(10 mL,10 mL,5 mL), 回收正丁醇,用2 mL甲醇溶解,制成样品溶液2。点样约10 μL。
, http://www.100md.com
4.2.4 结果(见图7) 从图7可看出掌裂叶秋海棠、一点血、美丽秋海棠根茎的氯仿或正丁醇萃取部位的薄层色谱中与芦丁或槲皮素对应的位置均有相同颜色的斑点。所用的薄层条件可用于三者的鉴别。
5 讨论
5.1 掌裂叶秋海棠、一点血、美丽秋海棠根茎的显微结构表明,三者可通过木栓组织、纤维、石细胞、腺毛的存在与否加以区别。
5.2 薄层色谱分析表明掌裂叶秋海棠、一点血、美丽秋海棠的根茎中均含芦丁和槲皮素,所给的薄层条件可用于三者定性鉴别的重要参考,其化学成分有待进一步研究。
图7 三种秋海棠簿层层析图谱
A.展开系统:氯仿∶乙醚∶甲酸(9∶1∶0.5)
, 百拇医药
B.展开系统:乙酸乙酯∶甲酸∶水(8∶1∶1)
1.掌裂叶秋海棠 2.美丽秋海棠 3.一点血
4.槲皮素 5.芦丁
基金项目:四川省教委重点科研基金资助项目。
作者简介:严铸云,男,1964年12月生;中药学博士,副教授;研究方向:中药品种、品质与药效。
1,周太炎.我国秋海棠属的中草药.中草药,1988:19(11):37
2,《四川中药志》协作编写组.四川中药志.第一卷,成都:四川人民出版社,1979.199,230
3,广西壮族自治区卫生厅.广西中药材标准.南宁:广西科学技术出版社,1992.13
4,《万县中草药》编写组.万县中草药.万县:万县地区卫生局等出版,1977.230
5,中国科学院上海药物研究所.中草药有效成分的提取与分离.上海:上海科学技术出版社,1983.9,13
6,中国医学科学院药物研究所.中草药有效成分的研究.北京:人民卫生出版社,1972.111
7,肖崇厚.中药提取鉴定原理.上海:上海科学技术出版社,1981.12.50
(收稿日期:1999-11-15), 百拇医药