可切削渗透陶瓷氧化铝基体的研究
http://www.100md.com
37c医学网
作者:杨禾 廖运茂 鲜苏琴 柴枫 薛玉萍
单位:610041 华西医科大学口腔医学院(杨 禾现在上海静安区牙防所)
关键词:渗透陶瓷基体;粉液比;物理性能
华西口腔学杂志990409 摘要 目的:探讨粉浆制备过程中粉液比的改变对可切削渗透陶瓷(MIC)氧化铝基体性能及微观结构的影响。方法:以PⅠ型α-Al2O3粉体为研究对象,粉浆的粉液比(重量比)分别为3.5、4.5、5.5、6.5、7.5、8.5、9.5、10.5。经调拌注浆成型,于1200℃/2 h预烧成氧化铝基体,测定基体的物理性能并对其结构进行扫描电镜观察。结果:当粉液比增加时坯体堆积密度增加,线收缩率降低。经预烧后氧化铝基体具有较高的抗弯曲强度,扫描电镜观察可见多孔形貌,Al2O3颗粒间出现局部熔接现象且随预烧温度升高而增多。结论:MIC基体的制作工艺简便,堆积密度高,孔隙率适中,坯体线收缩率小,是一种理想的渗透陶瓷基体。
, http://www.100md.com
Investigation of Aluminum Oxide Matrix of the Machinable Infiltrated Ceramic(MIC)
Yang He, Liao Yunmao, Xian Suqin, et al
College of Stomatology, West China University of Medical Sciences
Abstract
Objective: To explore the effects of different powder/liquid ratio during the procedure of aluminum oxide slip preparation on the properties and microstructure of the machinable infiltrated ceramic(MIC) aluminum matrice. Methods: PⅠα-Al2O3 powder was employed in this study. Aluminum slip with different powder/liquid ratios of 3.5, 4.5, 5.5, 6.5, 7.5, 8.5, 9.5 and 10.5 was prepared separately. Specimens were slip-casted and pre-fired, and whose physical properties were determined and morphology of specimens was examined under scanning electromicroscope.Results: The packing density increased while the linear shrinkage decreased, when the powder/liquid ratio increased. Elevated pre-firing temperature resulted in higher flexural strength of the matrice. The matrice demonstrated porous morphology under electromicroscope, and neck-fusion between Al2O3 particles was observed and increased with elevated prefiring temperature.Conclusion: MIC is a kind of easy-manipulated material with high packing density, optimum porosity and lower linear shrinkage, so it may be an ideal aluminum matrix for infiltrated ceramic.
, 百拇医药
Key words: machinable infiltrated ceramic matrix powder/liquid ratio physical property
在口腔材料的发展进程中,In-Ceram渗透复合技术的出现改变了齿科陶瓷的现状,它将熔融玻璃渗透入刚性的多孔氧化铝基体中,获得一种高强度、高韧性的玻璃-氧化铝两相复合锁结、均匀分布的复合体,其强度高达400~600 MPa,断裂韧性达4.49 MPa.m1/2,成为适用于口腔修复技术的高技术陶瓷材料[1~4]。较之传统的齿科修复陶瓷,其强度提高了5倍以上。但在临床修复过程中,为便于磨改与调,常常期望修复体具备一定的可磨削性能,In-Ceram全瓷冠在这方面存在不足。为此,作者进行了系统研究,了解并评价了国内外现有牙科修复材料之后,首次提出吸取In-Ceram技术的优点,以云母微晶玻璃取代镧(lanthanum,La)系玻璃,对氧化铝基体进行高温渗透,以期制作出具有高强度、可磨削性及半透明性的修复体。
, 百拇医药
可切削渗透陶瓷(machinable infiltrated cera-mic,MIC)就其主要制备工艺而言,仍属于渗透陶瓷范畴。堆积密度高、收缩率小(小于3%)的氧化铝基体,对MIC修复体的性能有着决定性的意义。本文着重讨论制作工艺中粉液比对氧化铝基体性能特征的影响,并采用扫描电镜对基体结构特征进行高分辨率观察。本研究对于确定MIC的制作工艺,为临床应用制作出高品质的冠桥修复体有着特别重要的意义。
1 材料和方法
1.1 氧化铝基体的制备
选用卫生部口腔生物医学工程重点实验室提供的PⅠ型α-Al2O3粉体,纯度大于99.79%。当粉液比(重量比)确定之后,粉体分3次加入专用调拌液中,首次加入总量的60%,调匀后,再分2次加入余量粉体,间以超声振荡3~5 min,形成流平性极好的均匀粉浆(表1)。每组粉浆分别灌注10个生坯试件,灌注过程注意排除气泡,脱模时避免出现机械损伤。
, 百拇医药
表1 MIC氧化铝基体粉浆配比及密度 组 别
G1
G2
G3
G4
G5
G6
G7
G8
粉液比
(重量比)
, 百拇医药
3.5
4.5
5.5
6.5
7.5
8.5
9.5
10.5
粉浆密度
(g/ml)
1.86
2.11
2.31
, 百拇医药
2.47
2.60
2.72
2.80
2.88
生坯脱模24 h后,置于高温箱式电阻炉中,由室温以2~3℃/min的速率匀速升温至300℃,再以10℃/min的速率升温至1200℃,保持2 h,切断电源随炉冷至室温。用200~800#金相砂纸打磨试样至标准尺寸。
1.2 基体线收缩率的测定
生坯脱模后,即用游标卡尺(精度0.01 mm)测量试件长度L0,预烧后再测其长度L1,则坯体线收缩率为:α=(L0-L1)/L0×100%
, http://www.100md.com
(1)
1.3 基体堆积密度的测定
生坯低温预烧后,内部均为开口气孔。采用德国Sartorius 1700型电子天平(精度0.0001 g)测量试件重量。试件在真空低温干燥箱中烘1 h,冷却后测定其重量W0。试件没入水中,并于0.04 MPa压力下真空抽吸15 min,排除试件中的气泡,取出后用绸布拭去表面水分,即刻测其湿重(W1),按下式计算基体堆积密度d:
(2)
式中,ρW及ρα分别为蒸馏水及α-Al2O3的密度,本实验分别取其值为1 g/cm3及3.98 g/cm3。
, http://www.100md.com
1.4 基体强度的测定
采用CSS-1101型电子万能力学试验机测定G8组基体标准试件的三点弯曲强度σ3P。加载速度为0.5 mm/min,试件跨距为20 mm。计算公式如下:
(3)
式中L为试件测试跨距,P为断裂时的最大力值(N),b,d分别为试件的宽度及厚度(mm),为减小测量误差,采用游标卡尺精确测量试件的尺寸。
1.5 扫描电镜观察
取G8.2与G8.3组基体各一块,样本表面喷金,采用美国AMRAY1845FE场发射扫描电子显微镜观察其粉体形貌及堆积特征。
, 百拇医药
2 结 果
2.1 氧化铝粉浆与生坯
在传统氧化铝陶瓷的生产工艺过程中,也常采用浇注成型,但其粉液比通常控制在2~3,粉浆比重约为1.3~1.6 g/cm3,灌注后,坯体堆积密度不高,烧结线收缩率达10%~15%。由表1可见本实验中PⅠ型粉体粉液比控制在3.5~10.5的范围内,经测定其粉浆比重约为1.9~2.9 g/cm3,浇注中流出时可成细丝状,具有优良的流平性。经长时间放置粉浆无明显沉降凝聚现象发生。
生坯脱模后,坯体中未见因粉体分布不匀所产生的裂纹,也未见塌落、变形、气泡和针孔,且具备一定的强度。
2.2 氧化铝基体线收缩率、堆积密度及挠曲强度
经1200℃/2 h预烧处理后,形成强度达50 MPa以上的渗透陶瓷骨架(表2)。
, http://www.100md.com
为进一步描述粉液比对基体堆积密度及线收缩率的影响,以粉液比为横坐标,堆积密度d及线收缩率α为纵坐标作图(图1)。
图1 粉浆粉液比对氧化铝基体堆积密度(d)及线收缩率(α)的影响
表2 PI型氧化铝基体的堆积密度、线收缩率及挠曲强度 组别
粉浆粉液比
样本量(个)
预烧条件
氧化铝基体性能


, 百拇医药
G1
3.5
10
1200℃/2h
63.00(2.25)
6.82(1.08)
G2
4.5
10
66.60(3.87)
4.41(0.66)
G3
, 百拇医药
5.5
10
71.89(2.31)
3.76(0.57)
G4
6.5
10
74.43(2.75)
3.30(0.54)
G5
7.5
10
, 百拇医药
75.74(3.45)
3.27(0.42)
G6
8.5
10
76.80(1.90)
3.25(0.44)
G7
9.5
10
77.74(2.11)
3.19(0.33)
, 百拇医药
G8 G8.1
10.5
10
1100℃/2h
77.46(2.23)
18.06(3.41)
G8.2
10.5
10
1200℃/2h
78.07(2.97)
, 百拇医药 3.17(0.37)
57.28(4.35)
G8.3
10.5
10
1300℃/2h
78.28(1.97)
62.20(4.42)
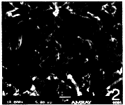
2.3 氧化铝坯体及基体的SEM观察
G8.2组基体(1200℃/2 h)断面形貌揭示,氧化铝粉体间呈紧密堆积,颗粒呈多边形,有的近乎球型,粗细颗粒间呈弥散均匀分布。微细粉体聚集处经预烧结后已彼此熔接,在大颗粒之间的颈部由于细颗粒的桥接作用,而出现了初步的熔接(图2)。从G8.3组氧化铝基体(1300℃/2 h)的断面形貌中可看出基体中微细粉体大量熔失,粗颗粒间颈部生长熔接有所改善,基体仍保持均匀的多孔结构。断面可观察到氧化铝颗粒拔出时所形成的孔穴,基体强度较1100℃有了较明显的提高,达62.2 MPa(图3)。
, 百拇医药
图2 G8.2组基体断面形貌 氧化铝粉体间呈紧密堆积,颗粒呈多边形,有的近乎球形,粗细颗粒间呈弥散均匀分布
图3 G8.3组基体断面形貌 基体中微细粉体大量熔失,颗粒间颈部生长熔接有所改善,基体保持均匀的多孔结构
3 讨 论
3.1 MIC基体的注浆成形与粉浆涂塑
注浆成形是制备陶瓷的一种基本成形工艺,它的使用已有悠久的历史[5]。其方法是用陶瓷粉体与调拌液调和成均匀的泥浆(slip),将其灌注入多孔性模型(一般为石膏模)内,由于模型孔隙的毛细作用,吸收粉浆中的水分,使其逐渐干燥收缩而与模型脱离,即为陶瓷的生坯(green body)。但在渗透陶瓷成型工艺中,为使冠体具有优良的适合性及简化工艺常采用粉浆涂塑,区别之处仅在于它不是通过灌注,而是用毛刷将粉浆涂于多孔代型上来堆塑坯体外型。代型确定以后,坯体质量主要取决于粉浆特性及涂塑工艺[3,4,6]。相比之下,粉浆特性起着决定性的作用。高质量的粉浆应具备以下特征:①良好的流动性,粘度小,流出时可形成一根连绵不断的细线;②良好的稳定性,放置期内,不会出现不同粒度Al2O3粉体的凝聚或沉淀;③高固相含量,可增加坯体的强度、密度,减少坯体的干燥收缩及烧结收缩,保证修复体的适合性及制作精度。
, 百拇医药
3.2 粉液比对MIC基体性能的影响
由图1可见,当粉液比由3.5渐变至10.5时,坯体堆积密度呈正相关递变。在G3.5~G6.5段,堆积密度d明显上升,G6.5~G10.5段堆积密度d的变化趋于平缓。而线收缩率α在相同区间内,则呈负相关递变。同样在G6.5时α曲线也出现拐点,由此可见d与α的变化有着对应关系。当粉液比较小时,粉浆中颗粒排列疏松,粉体间有过多的水分存在,其坯体的堆积密度低,干燥及预烧后收缩变形量大。随粉液比增大,粉体颗粒趋向紧密堆积,其坯体的堆积密度增大而收缩量变小。当粉液比增大到G6.5时,大颗粒彼此碰触形成骨架,此时再增大粉液调拌比,对增大坯体的堆积密度的作用已不显著,维持着基体的基本尺寸,使其收缩率α也不再随粉液比的增大而显著降低了。经组内t检验统计分析,G6.5组前,组间具有显著性差异(P<0.05)。G6.5组以后组间无显著性差异(P>0.05)。
, 百拇医药
3.3 预烧温度对MIC基体性能及微观结构的影响
对于渗透陶瓷,预烧温度通常在1100~1200℃之间,平均粒度较大时,可以提高到1300℃左右[7],MIC的预烧结温度定在1200℃,而对于1100℃及1300℃两个温度点本实验也进行了比较。在实验中发现,随着预烧温度的不同,基体的堆积密度及强度呈现出截然不同的变化规律,参见表2。随预烧温度的升高,氧化铝基体的堆积密度未出现显著变化,然而其强度却大大提高,但随着烧结温度的进一步提高,这种变化趋势渐趋平缓,预烧温度对基体性能的上述影响,与Al2O3粉体的粒度分布及表面结构密切相关,与烧结过程中坯体的物理化学变化过程有关。研究表明,PⅠ型粉体中包含了15%左右的超细微粉。粉径在0.1~0.3 μm,这部分粉体的表面积却占总体表面积的90%。在烧结活化能的驱动下,粉体的离子特别是粉体表面的离子将发生迁移和扩散,这一过程首先在粉体表面发生。微细氧化铝粉体在制备过程中,由于反复破碎而不断形成新的表面。为降低系统的内能,粉体表面离子出现极化变形和重排,表面晶格发生畸变,有序度降低,随着粒子的进一步微细化,表面结构的有序程度受到愈来愈强烈的扰乱,并不断向颗粒内部扩展,最后粉体表面结构趋于无定形。这明显降低了粉体表面的反应活化能,微细粉体在1100~1200℃范围内即出现熔接,使基体强度明显提高。而对于粒度较大的粉体,表面活化能较高,离子难于越过势垒,未出现明显的颈部熔接现象,故1200~1300℃区间,强度无明显改变。从工业生产Al2O3陶瓷可知,通常要在1600~1700℃范围内才会完成坯体的致密化过程。
, http://www.100md.com
G8.3组经1300℃/2 h预烧结后,尽管堆积密度无明显变化,但大颗粒之间已出现较完善的颈部熔接状态,图3中还可以见到基体断裂时氧化铝颗粒拔出所余留的孔穴,这些都显示经1300℃/2 h的基体有着更高的机械强度,这与测试结果相一致,σG8.2=57.28 MPa,σG8.3=62.20 MPa,P<0.05。
3.4 MIC基体的多种用途
In-Ceram技术通常选用的预烧结温度为1100~1200℃/2 h,多孔氧化铝基体的强度为18 MPa。本实验中,坯体经1200~1300℃/2 h处理,其强度达57~62 MPa,比In-Ceram多孔氧化铝基体强度提高3倍,这就大大拓展了MIC的氧化铝基体的用途。它不仅可直接作为熔融玻璃渗透复合体的骨架,且其机械强度已足以承受切削、磨削等机械行为,因此还可作为临床上CAD/CAM加工系统的专用切削材料。目前,市场上出售的预成瓷块是采用工业技术制作而成,为了获得较高的坯体堆积密度(约为75%)及强度,需在数百兆帕的压力下经等静压成形,然后在1400℃/2 h烧结而成。比较而言,本研究选用PⅠ型α-Al2O3粉体,仅需浇注成型,在经1200~1300℃预烧2 h就具有理想的堆积密度和强度,大大简化了制作工艺。
, 百拇医药
本课题为卫生部科学基金资助项目(编号 96-2-201),已申请国家发明专利(编号 99115026.0)
4 参考文献
1 Giordano ⅡRA, Pelletier L, Campbell S, et al. Flexural strength of an infused ceramic, glass ceramic and feldspathic porcelain. J Prosthet Dent, 1995,73(5):411~418
2 Rosenblum MA, Schulman A. A review of all-ceramic restorations. J Am Dent Assoc,1997,128(3):297~307
3 Campbell SD, Pelletier LB, Pober RL, et al. Dimensional and formation analysis of a restorative ceramic and how it works. J Prosthet Dent, 1995,74(4):332~340
, 百拇医药
4 Wolf WD, Francis LF, Lin CP, et al. Melt-infiltration processing and fracture toughnoss of alumina-glass dental composites. J Am Ceram Soc, 1993,76(10):2691~2694
5 西北轻工业学院编.陶瓷工艺学.北京:中国轻工业出版社,1997:221~230
6 Wolf WD, Vaidya KJ, Francis LF. Mechanical properties and failure analysis of alumina-glass dental composites. J Am Ceram Soc,1996,79(7):1769~1776
7 张金栋,施剑林.氧化铝粉料的颗粒级配对成型行为和烧结行为的影响.无机材料学报,1997,12(2):175~180
(1999-09-03收稿), 百拇医药
单位:610041 华西医科大学口腔医学院(杨 禾现在上海静安区牙防所)
关键词:渗透陶瓷基体;粉液比;物理性能
华西口腔学杂志990409 摘要 目的:探讨粉浆制备过程中粉液比的改变对可切削渗透陶瓷(MIC)氧化铝基体性能及微观结构的影响。方法:以PⅠ型α-Al2O3粉体为研究对象,粉浆的粉液比(重量比)分别为3.5、4.5、5.5、6.5、7.5、8.5、9.5、10.5。经调拌注浆成型,于1200℃/2 h预烧成氧化铝基体,测定基体的物理性能并对其结构进行扫描电镜观察。结果:当粉液比增加时坯体堆积密度增加,线收缩率降低。经预烧后氧化铝基体具有较高的抗弯曲强度,扫描电镜观察可见多孔形貌,Al2O3颗粒间出现局部熔接现象且随预烧温度升高而增多。结论:MIC基体的制作工艺简便,堆积密度高,孔隙率适中,坯体线收缩率小,是一种理想的渗透陶瓷基体。
, http://www.100md.com
Investigation of Aluminum Oxide Matrix of the Machinable Infiltrated Ceramic(MIC)
Yang He, Liao Yunmao, Xian Suqin, et al
College of Stomatology, West China University of Medical Sciences
Abstract
Objective: To explore the effects of different powder/liquid ratio during the procedure of aluminum oxide slip preparation on the properties and microstructure of the machinable infiltrated ceramic(MIC) aluminum matrice. Methods: PⅠα-Al2O3 powder was employed in this study. Aluminum slip with different powder/liquid ratios of 3.5, 4.5, 5.5, 6.5, 7.5, 8.5, 9.5 and 10.5 was prepared separately. Specimens were slip-casted and pre-fired, and whose physical properties were determined and morphology of specimens was examined under scanning electromicroscope.Results: The packing density increased while the linear shrinkage decreased, when the powder/liquid ratio increased. Elevated pre-firing temperature resulted in higher flexural strength of the matrice. The matrice demonstrated porous morphology under electromicroscope, and neck-fusion between Al2O3 particles was observed and increased with elevated prefiring temperature.Conclusion: MIC is a kind of easy-manipulated material with high packing density, optimum porosity and lower linear shrinkage, so it may be an ideal aluminum matrix for infiltrated ceramic.
, 百拇医药
Key words: machinable infiltrated ceramic matrix powder/liquid ratio physical property
在口腔材料的发展进程中,In-Ceram渗透复合技术的出现改变了齿科陶瓷的现状,它将熔融玻璃渗透入刚性的多孔氧化铝基体中,获得一种高强度、高韧性的玻璃-氧化铝两相复合锁结、均匀分布的复合体,其强度高达400~600 MPa,断裂韧性达4.49 MPa.m1/2,成为适用于口腔修复技术的高技术陶瓷材料[1~4]。较之传统的齿科修复陶瓷,其强度提高了5倍以上。但在临床修复过程中,为便于磨改与调,常常期望修复体具备一定的可磨削性能,In-Ceram全瓷冠在这方面存在不足。为此,作者进行了系统研究,了解并评价了国内外现有牙科修复材料之后,首次提出吸取In-Ceram技术的优点,以云母微晶玻璃取代镧(lanthanum,La)系玻璃,对氧化铝基体进行高温渗透,以期制作出具有高强度、可磨削性及半透明性的修复体。
, 百拇医药
可切削渗透陶瓷(machinable infiltrated cera-mic,MIC)就其主要制备工艺而言,仍属于渗透陶瓷范畴。堆积密度高、收缩率小(小于3%)的氧化铝基体,对MIC修复体的性能有着决定性的意义。本文着重讨论制作工艺中粉液比对氧化铝基体性能特征的影响,并采用扫描电镜对基体结构特征进行高分辨率观察。本研究对于确定MIC的制作工艺,为临床应用制作出高品质的冠桥修复体有着特别重要的意义。
1 材料和方法
1.1 氧化铝基体的制备
选用卫生部口腔生物医学工程重点实验室提供的PⅠ型α-Al2O3粉体,纯度大于99.79%。当粉液比(重量比)确定之后,粉体分3次加入专用调拌液中,首次加入总量的60%,调匀后,再分2次加入余量粉体,间以超声振荡3~5 min,形成流平性极好的均匀粉浆(表1)。每组粉浆分别灌注10个生坯试件,灌注过程注意排除气泡,脱模时避免出现机械损伤。
, 百拇医药
表1 MIC氧化铝基体粉浆配比及密度 组 别
G1
G2
G3
G4
G5
G6
G7
G8
粉液比
(重量比)
, 百拇医药
3.5
4.5
5.5
6.5
7.5
8.5
9.5
10.5
粉浆密度
(g/ml)
1.86
2.11
2.31
, 百拇医药
2.47
2.60
2.72
2.80
2.88
生坯脱模24 h后,置于高温箱式电阻炉中,由室温以2~3℃/min的速率匀速升温至300℃,再以10℃/min的速率升温至1200℃,保持2 h,切断电源随炉冷至室温。用200~800#金相砂纸打磨试样至标准尺寸。
1.2 基体线收缩率的测定
生坯脱模后,即用游标卡尺(精度0.01 mm)测量试件长度L0,预烧后再测其长度L1,则坯体线收缩率为:α=(L0-L1)/L0×100%
, http://www.100md.com
(1)
1.3 基体堆积密度的测定
生坯低温预烧后,内部均为开口气孔。采用德国Sartorius 1700型电子天平(精度0.0001 g)测量试件重量。试件在真空低温干燥箱中烘1 h,冷却后测定其重量W0。试件没入水中,并于0.04 MPa压力下真空抽吸15 min,排除试件中的气泡,取出后用绸布拭去表面水分,即刻测其湿重(W1),按下式计算基体堆积密度d:
(2)
式中,ρW及ρα分别为蒸馏水及α-Al2O3的密度,本实验分别取其值为1 g/cm3及3.98 g/cm3。
, http://www.100md.com
1.4 基体强度的测定
采用CSS-1101型电子万能力学试验机测定G8组基体标准试件的三点弯曲强度σ3P。加载速度为0.5 mm/min,试件跨距为20 mm。计算公式如下:
(3)
式中L为试件测试跨距,P为断裂时的最大力值(N),b,d分别为试件的宽度及厚度(mm),为减小测量误差,采用游标卡尺精确测量试件的尺寸。
1.5 扫描电镜观察
取G8.2与G8.3组基体各一块,样本表面喷金,采用美国AMRAY1845FE场发射扫描电子显微镜观察其粉体形貌及堆积特征。
, 百拇医药
2 结 果
2.1 氧化铝粉浆与生坯
在传统氧化铝陶瓷的生产工艺过程中,也常采用浇注成型,但其粉液比通常控制在2~3,粉浆比重约为1.3~1.6 g/cm3,灌注后,坯体堆积密度不高,烧结线收缩率达10%~15%。由表1可见本实验中PⅠ型粉体粉液比控制在3.5~10.5的范围内,经测定其粉浆比重约为1.9~2.9 g/cm3,浇注中流出时可成细丝状,具有优良的流平性。经长时间放置粉浆无明显沉降凝聚现象发生。
生坯脱模后,坯体中未见因粉体分布不匀所产生的裂纹,也未见塌落、变形、气泡和针孔,且具备一定的强度。
2.2 氧化铝基体线收缩率、堆积密度及挠曲强度
经1200℃/2 h预烧处理后,形成强度达50 MPa以上的渗透陶瓷骨架(表2)。
, http://www.100md.com
为进一步描述粉液比对基体堆积密度及线收缩率的影响,以粉液比为横坐标,堆积密度d及线收缩率α为纵坐标作图(图1)。
图1 粉浆粉液比对氧化铝基体堆积密度(d)及线收缩率(α)的影响
表2 PI型氧化铝基体的堆积密度、线收缩率及挠曲强度 组别
粉浆粉液比
样本量(个)
预烧条件
氧化铝基体性能
, 百拇医药
G1
3.5
10
1200℃/2h
63.00(2.25)
6.82(1.08)
G2
4.5
10
66.60(3.87)
4.41(0.66)
G3
, 百拇医药
5.5
10
71.89(2.31)
3.76(0.57)
G4
6.5
10
74.43(2.75)
3.30(0.54)
G5
7.5
10
, 百拇医药
75.74(3.45)
3.27(0.42)
G6
8.5
10
76.80(1.90)
3.25(0.44)
G7
9.5
10
77.74(2.11)
3.19(0.33)
, 百拇医药
G8 G8.1
10.5
10
1100℃/2h
77.46(2.23)
18.06(3.41)
G8.2
10.5
10
1200℃/2h
78.07(2.97)
, 百拇医药 3.17(0.37)
57.28(4.35)
G8.3
10.5
10
1300℃/2h
78.28(1.97)
62.20(4.42)
2.3 氧化铝坯体及基体的SEM观察
G8.2组基体(1200℃/2 h)断面形貌揭示,氧化铝粉体间呈紧密堆积,颗粒呈多边形,有的近乎球型,粗细颗粒间呈弥散均匀分布。微细粉体聚集处经预烧结后已彼此熔接,在大颗粒之间的颈部由于细颗粒的桥接作用,而出现了初步的熔接(图2)。从G8.3组氧化铝基体(1300℃/2 h)的断面形貌中可看出基体中微细粉体大量熔失,粗颗粒间颈部生长熔接有所改善,基体仍保持均匀的多孔结构。断面可观察到氧化铝颗粒拔出时所形成的孔穴,基体强度较1100℃有了较明显的提高,达62.2 MPa(图3)。
, 百拇医药
图2 G8.2组基体断面形貌 氧化铝粉体间呈紧密堆积,颗粒呈多边形,有的近乎球形,粗细颗粒间呈弥散均匀分布
图3 G8.3组基体断面形貌 基体中微细粉体大量熔失,颗粒间颈部生长熔接有所改善,基体保持均匀的多孔结构
3 讨 论
3.1 MIC基体的注浆成形与粉浆涂塑
注浆成形是制备陶瓷的一种基本成形工艺,它的使用已有悠久的历史[5]。其方法是用陶瓷粉体与调拌液调和成均匀的泥浆(slip),将其灌注入多孔性模型(一般为石膏模)内,由于模型孔隙的毛细作用,吸收粉浆中的水分,使其逐渐干燥收缩而与模型脱离,即为陶瓷的生坯(green body)。但在渗透陶瓷成型工艺中,为使冠体具有优良的适合性及简化工艺常采用粉浆涂塑,区别之处仅在于它不是通过灌注,而是用毛刷将粉浆涂于多孔代型上来堆塑坯体外型。代型确定以后,坯体质量主要取决于粉浆特性及涂塑工艺[3,4,6]。相比之下,粉浆特性起着决定性的作用。高质量的粉浆应具备以下特征:①良好的流动性,粘度小,流出时可形成一根连绵不断的细线;②良好的稳定性,放置期内,不会出现不同粒度Al2O3粉体的凝聚或沉淀;③高固相含量,可增加坯体的强度、密度,减少坯体的干燥收缩及烧结收缩,保证修复体的适合性及制作精度。
, 百拇医药
3.2 粉液比对MIC基体性能的影响
由图1可见,当粉液比由3.5渐变至10.5时,坯体堆积密度呈正相关递变。在G3.5~G6.5段,堆积密度d明显上升,G6.5~G10.5段堆积密度d的变化趋于平缓。而线收缩率α在相同区间内,则呈负相关递变。同样在G6.5时α曲线也出现拐点,由此可见d与α的变化有着对应关系。当粉液比较小时,粉浆中颗粒排列疏松,粉体间有过多的水分存在,其坯体的堆积密度低,干燥及预烧后收缩变形量大。随粉液比增大,粉体颗粒趋向紧密堆积,其坯体的堆积密度增大而收缩量变小。当粉液比增大到G6.5时,大颗粒彼此碰触形成骨架,此时再增大粉液调拌比,对增大坯体的堆积密度的作用已不显著,维持着基体的基本尺寸,使其收缩率α也不再随粉液比的增大而显著降低了。经组内t检验统计分析,G6.5组前,组间具有显著性差异(P<0.05)。G6.5组以后组间无显著性差异(P>0.05)。
, 百拇医药
3.3 预烧温度对MIC基体性能及微观结构的影响
对于渗透陶瓷,预烧温度通常在1100~1200℃之间,平均粒度较大时,可以提高到1300℃左右[7],MIC的预烧结温度定在1200℃,而对于1100℃及1300℃两个温度点本实验也进行了比较。在实验中发现,随着预烧温度的不同,基体的堆积密度及强度呈现出截然不同的变化规律,参见表2。随预烧温度的升高,氧化铝基体的堆积密度未出现显著变化,然而其强度却大大提高,但随着烧结温度的进一步提高,这种变化趋势渐趋平缓,预烧温度对基体性能的上述影响,与Al2O3粉体的粒度分布及表面结构密切相关,与烧结过程中坯体的物理化学变化过程有关。研究表明,PⅠ型粉体中包含了15%左右的超细微粉。粉径在0.1~0.3 μm,这部分粉体的表面积却占总体表面积的90%。在烧结活化能的驱动下,粉体的离子特别是粉体表面的离子将发生迁移和扩散,这一过程首先在粉体表面发生。微细氧化铝粉体在制备过程中,由于反复破碎而不断形成新的表面。为降低系统的内能,粉体表面离子出现极化变形和重排,表面晶格发生畸变,有序度降低,随着粒子的进一步微细化,表面结构的有序程度受到愈来愈强烈的扰乱,并不断向颗粒内部扩展,最后粉体表面结构趋于无定形。这明显降低了粉体表面的反应活化能,微细粉体在1100~1200℃范围内即出现熔接,使基体强度明显提高。而对于粒度较大的粉体,表面活化能较高,离子难于越过势垒,未出现明显的颈部熔接现象,故1200~1300℃区间,强度无明显改变。从工业生产Al2O3陶瓷可知,通常要在1600~1700℃范围内才会完成坯体的致密化过程。
, http://www.100md.com
G8.3组经1300℃/2 h预烧结后,尽管堆积密度无明显变化,但大颗粒之间已出现较完善的颈部熔接状态,图3中还可以见到基体断裂时氧化铝颗粒拔出所余留的孔穴,这些都显示经1300℃/2 h的基体有着更高的机械强度,这与测试结果相一致,σG8.2=57.28 MPa,σG8.3=62.20 MPa,P<0.05。
3.4 MIC基体的多种用途
In-Ceram技术通常选用的预烧结温度为1100~1200℃/2 h,多孔氧化铝基体的强度为18 MPa。本实验中,坯体经1200~1300℃/2 h处理,其强度达57~62 MPa,比In-Ceram多孔氧化铝基体强度提高3倍,这就大大拓展了MIC的氧化铝基体的用途。它不仅可直接作为熔融玻璃渗透复合体的骨架,且其机械强度已足以承受切削、磨削等机械行为,因此还可作为临床上CAD/CAM加工系统的专用切削材料。目前,市场上出售的预成瓷块是采用工业技术制作而成,为了获得较高的坯体堆积密度(约为75%)及强度,需在数百兆帕的压力下经等静压成形,然后在1400℃/2 h烧结而成。比较而言,本研究选用PⅠ型α-Al2O3粉体,仅需浇注成型,在经1200~1300℃预烧2 h就具有理想的堆积密度和强度,大大简化了制作工艺。
, 百拇医药
本课题为卫生部科学基金资助项目(编号 96-2-201),已申请国家发明专利(编号 99115026.0)
4 参考文献
1 Giordano ⅡRA, Pelletier L, Campbell S, et al. Flexural strength of an infused ceramic, glass ceramic and feldspathic porcelain. J Prosthet Dent, 1995,73(5):411~418
2 Rosenblum MA, Schulman A. A review of all-ceramic restorations. J Am Dent Assoc,1997,128(3):297~307
3 Campbell SD, Pelletier LB, Pober RL, et al. Dimensional and formation analysis of a restorative ceramic and how it works. J Prosthet Dent, 1995,74(4):332~340
, 百拇医药
4 Wolf WD, Francis LF, Lin CP, et al. Melt-infiltration processing and fracture toughnoss of alumina-glass dental composites. J Am Ceram Soc, 1993,76(10):2691~2694
5 西北轻工业学院编.陶瓷工艺学.北京:中国轻工业出版社,1997:221~230
6 Wolf WD, Vaidya KJ, Francis LF. Mechanical properties and failure analysis of alumina-glass dental composites. J Am Ceram Soc,1996,79(7):1769~1776
7 张金栋,施剑林.氧化铝粉料的颗粒级配对成型行为和烧结行为的影响.无机材料学报,1997,12(2):175~180
(1999-09-03收稿), 百拇医药